Product
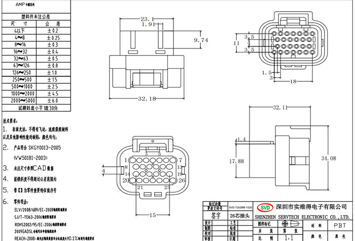
26芯连接器/3槽母插头黑色 SVD-7262BB-1020
Technical Data

AMP卡槽系列

塑料件未注公差

尺 寸

公 差

4以下

±0.2

4~8

±0.25

8~16

0.3

16~32

0.4

32~63

0.5

63~126

0.8

126~250

1.0

250~500

1.5

500~1000

2.5

1000~2000

4.5

2000~5000

6.0

拔模斜度小于1度30分

技术要求:

1. 表面光洁,不得有飞边,流痕裂痕缺料以及其他影响性能的缺陷。颜色均匀;

2. 产品符合 SKGY0013-2005(vw50181-2003)

3. 未注尺寸参照CAD数据

4. 拔模斜度不得超过公差范围内

5. 【】为零件重要特征值序号

6. 零件符合:

ELV/2008/689/EC-2008物质限制要求

SJ/T-11363-2006物质限制要求

ROHS2002/95/EC-2006物质限制要求

2009GADSL全球汽车申报物质清单

REACH 2008﹣高关注物质质量百分比浓度大于0.1%时进行通报要求


12-1.jpg

Copyright © SHENZHEN SERVTECH ELECTRONIC CO.,LTD.
Shenzhen Address : 908A/B, Xihai Commercial Building, Jinhai Road, Xixiang Street, Bao'an District, Shenzhen
Tel : 0755-29640278 Fax : 0755-29466090