|
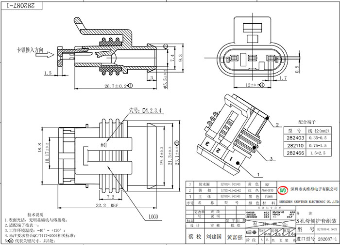
AMP卡槽系列 |
|
|
塑料件未注公差 |
|
|
尺 寸 |
公 差 |
|
4以下 |
±0.2 |
|
4~8 |
±0.25 |
|
8~16 |
0.3 |
|
16~32 |
0.4 |
|
32~63 |
0.5 |
|
63~126 |
0.8 |
|
126~250 |
1.0 |
|
250~500 |
1.5 |
|
500~1000 |
2.5 |
|
1000~2000 |
4.5 |
|
2000~5000 |
6.0 |
|
拔模斜度小于1度30分 |
|
|
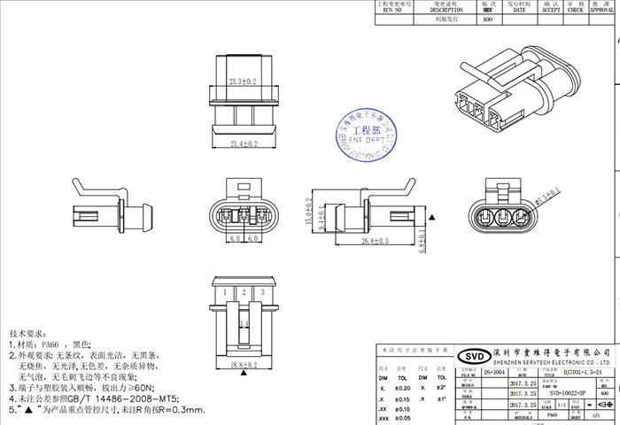
技术要求: 1. 表面光洁,不得有飞边,流痕裂痕缺料以及其他影响性能的缺陷。颜色均匀; 2. 产品符合 SKGY0013-2005(vw50181-2003) 3. 未注尺寸参照CAD数据 4. 拔模斜度不得超过公差范围内 5. 【】为零件重要特征值序号 6. 零件符合: ELV/2008/689/EC-2008物质限制要求 SJ/T-11363-2006物质限制要求 ROHS2002/95/EC-2006物质限制要求 2009GADSL全球汽车申报物质清单 REACH 2008﹣高关注物质质量百分比浓度大于0.1%时进行通报要求 |
|




Copyright © SHENZHEN SERVTECH ELECTRONIC CO.,LTD.
Shenzhen Address : 908A/B, Xihai Commercial Building, Jinhai Road, Xixiang Street, Bao'an District, Shenzhen
Tel : 0755-29640278 Fax : 0755-29466090