中文
|
English
网站首页
关于我们
产品展示
新闻中心
质量管理
营销网络
客户留言
联系我们
集束连接器系列
航空头系列连接器
SATA连接器系列
轻触开关系列
拔动开关系列
按钮开关系列
微动开关系列
维修开关系列
叶片开关系列
门锁开关系列
船形开关系列
电源开关系列
自锁开关系列
MP3摇头开关系列
电话收线开关系列
DC(SMT)电源插座系列
DC电源插座系列
2.5/3.5(SMT)插口系列
2.5/3.5插口系列
6.35直插式耳机插座系列
USB插口系列
D-USB插座系列
光纤插座系列
射频插座系列
AV同芯插座系列
外接线插座系列
DB系列器具插座
阻尼器系列
电池座系列
端子系列
排针系列
排母系列
简牛牛角系列
FFC/FPC扁平电缆连接器
当前您位置
网站首页
产品展示
SATA连接器系列
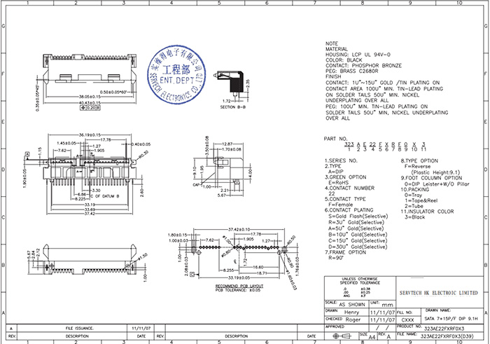
SATA 7+15/F DIP 9.1H SVD-SATA-15P-01
产品技术参数
[打印此页]
[返回]
Copyright © 深圳市实维得电子有限公司
深圳地址 : 深圳市宝安区西乡街道金海路西湾商业大厦908A/B
Tel : 0755-29640278 Fax : 0755-29466090